KWC ELLA

Miscelatore a leva - lavabo - CoolFix

12.381.033.000FL

124644 - 12.381.033.000FL - ELLA - ELLA Miscelatore a leva - lavabo - CoolFix

KWC ELLA

Miscelatore a leva - lavabo - CoolFix

12.381.033.000FL 124644 EAN/GTIN: 7612158512743

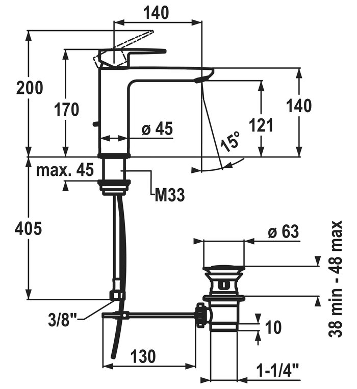
* Miscelatore a leva
* CoolFix - Erogazione dell’acqua fredda con leva in posizione centrale
* EcoProtect - risparmio idrico
* Bocca fissa
- Neoperl® Perlator® Shorty
* OptimalSpace - ampia zona di lavoro e di lavaggio
* KWC cartuccia M 35 OP
- con tecnica a dischi in ceramica
- regolazione continua della portata e della temperatura
- limitazione della temperatura
* Tubi flessibili di collegamento da 3/8"
* Fissaggio tramite raccordo filettato M33 x 1.5
* Foratura ø35 mm
MIT_ABLAUFGARNITUR OHNE_ABLAUFGARNITUR

Caratteristiche del prodotto

Portata
5 l/min (3 bar)
scarico
MIT_ABLAUFGARNITUR
Raccordo
Tubi flessibili di collegamento da ⅜"
bocca
FEST
Operazione
TOPBEDIENT
Codice colore
chromeline
Tipo di installazione
STANDMONTAGE
Tipo di articolo
HEBELMISCHER
Dimensioni in altezza
170
Risparmio energetico
COOLFIX
Classe di rumorosità
I
Proiezione A
A140
Etichetta energetica (CH)
A
Dimensioni uscita acqua
121
Materiale
Ottone

Con la nostra comprovata Tecnologie e funzioni