KWC ELLA

Miscelatore a leva - lavabo - CoolFix

12.381.073.000FL

124645 - 12.381.073.000FL - ELLA - ELLA Miscelatore a leva - lavabo - CoolFix

KWC ELLA

Miscelatore a leva - lavabo - CoolFix

12.381.073.000FL 124645 EAN/GTIN: 7612158512750

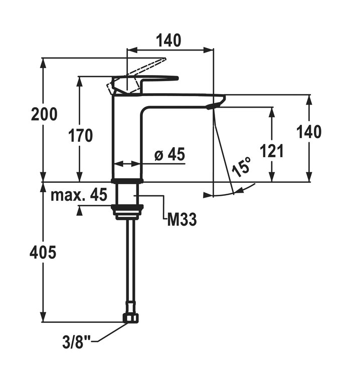
* Miscelatore a leva
* CoolFix - Erogazione dell’acqua fredda con leva in posizione centrale
* EcoProtect - risparmio idrico
* Bocca fissa
- Neoperl® Perlator® Shorty
* OptimalSpace - ampia zona di lavoro e di lavaggio
* KWC cartuccia M 35 OP
- Con tecnica a dischi in ceramica
- Regolazione continua della portata e della temperatura
- Limitazione della temperatura
* Tubi flessibili di collegamento da 3/8"
* Fissaggio tramite raccordo filettato M33 x 1.5
* Foratura ø35 mm
MIT_ABLAUFGARNITUR OHNE_ABLAUFGARNITUR

Caratteristiche del prodotto

Portata
5 l/min (3 bar)
scarico
OHNE_ABLAUFGARNITUR
Raccordo
Tubi flessibili di collegamento da ⅜"
bocca
FEST
Operazione
TOPBEDIENT
Codice colore
chromeline
Tipo di installazione
STANDMONTAGE
Tipo di articolo
HEBELMISCHER
Dimensioni in altezza
170
Risparmio energetico
COOLFIX
Classe di rumorosità
I
Proiezione A
A140
Etichetta energetica (CH)
A
Dimensioni uscita acqua
121
Materiale
Ottone

Con la nostra comprovata Tecnologie e funzioni