KWC ELLA

Miscelatore a leva - lavabo - CoolFix

12.381.102.000FL

124301 - 12.381.102.000FL - ELLA - ELLA Miscelatore a leva - lavabo - CoolFix

KWC ELLA

Miscelatore a leva - lavabo - CoolFix

12.381.102.000FL 124301 EAN/GTIN: 7612158500757

* Miscelatore a leva
* Per lavabo soprapiano
* CoolFix - Erogazione dell’acqua fredda con leva in posizione centrale
* EcoProtect - risparmio idrico
* Bocca fissa
- Neoperl® Perlator® Shorty
* OptimalSpace - ampia zona di lavoro e di lavaggio
* KWC cartuccia M 35 OP
- Con tecnica a dischi in ceramica
- Regolazione continua della portata e della temperatura
- Limitazione della temperatura
* Tubi flessibili di collegamento da 3/8"
* Fissaggio tramite raccordo filettato M33 x 1.5
* Foratura ø35 mm

Caratteristiche del prodotto

Portata
5 l/min (3 bar)
scarico
OHNE_ABLAUFGARNITUR
Raccordo
Tubi flessibili di collegamento da ⅜"
bocca
FEST
Operazione
TOPBEDIENT
Codice colore
chromeline
Tipo di installazione
FÜR WASCHSCHÜSSEL
Tipo di articolo
HEBELMISCHER
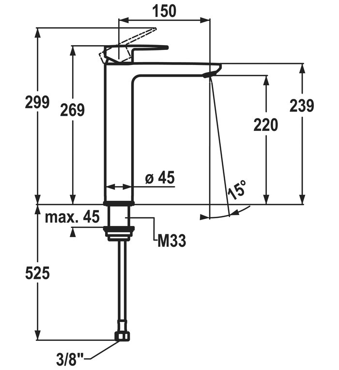
Dimensioni in altezza
269
Risparmio energetico
COOLFIX
Classe di rumorosità
I
Proiezione A
A150
Etichetta energetica (CH)
A
Dimensioni uscita acqua
220
Materiale
Ottone

Con la nostra comprovata Tecnologie e funzioni